2SA835/2SC1663
Si PNP/NPN

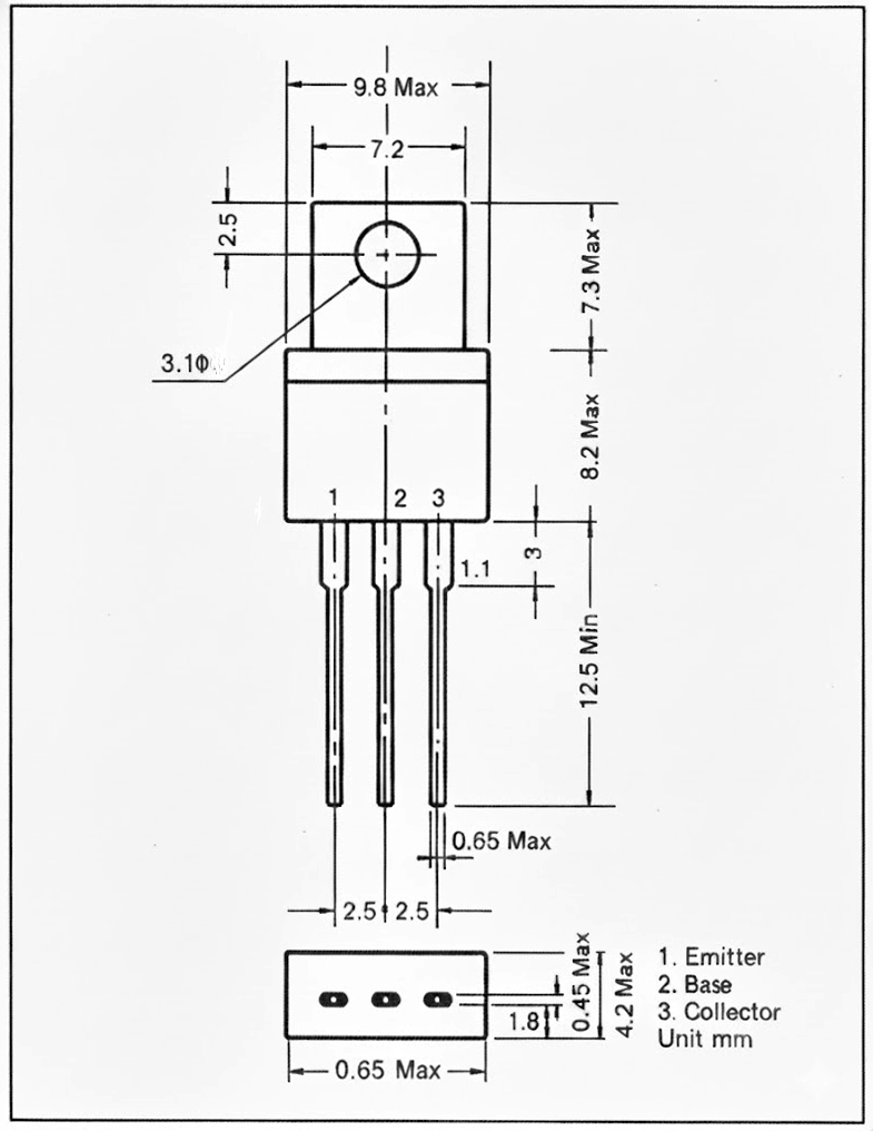
TO-202N package outline
Package outline (TO-202N)
2SA835/2SC1663
2SA835/2SC1663 (TO-202N)
Manufacturer: SONY
Application: AF/HF power amplifier, high voltage switching
Package: TO-202N
Debut: circa 1978
Discontinued: 2SA835 (1987), 2SC1663 (1984)

Overview

The 2SA835 (PNP) and 2SC1663 (NPN) are complementary pair transistors manufactured by SONY for audio amplifier applications. They have characteristics suitable for the driver stage (voltage amplification stage) of DC amplifiers.

SONY manufactured discrete semiconductors until the early 2000s. These transistors have an unusual shape with the TO-202N package, and a special metal fitting is required to attach them to a heat sink.

However, they have small heat dissipation fins, so they can be used without additional heat sinks. Today, these small power transistors with a collector loss of around 1 watt would be packaged in a resin-molded TO-92MOD package. However, at that time, transistors developed for audio use often employed packages with excellent heat dissipation properties from the perspective of sound quality, which sets them apart from modern transistors.

They had a reputation for good sound quality and were used in the late 1970s, when audio was at its peak in Japan. However, production was discontinued in the early 1980s. As of 2024, the stock on the market has long since run out, making them extremely difficult to find.


Key Features

  • AF/HF power amplifier, high voltage switching applications
  • High voltage: Vceo = 140V
  • Medium power: Pc = 0.95W
  • High DC current gain: HFE = 60-350
  • TO-202N package with integrated heat dissipation fins

Specifications

Source:
SONY Semiconductor Handbook 1979

For detailed information about the reference materials used in this archive, see Reference Materials & Sources.

Maximum Ratings

Parameter2SA8352SC1663
ManufacturingSiEPSiEP
Vcbo
(V)
-140140
Vceo
(V)
-140140
Vebo
(V)
-88
Ic
(A)
-0.50.5
Pc
(W)*Ta=25℃
0.950.95

Electrical Characteristics

Parameter2SA8352SC1663
HFEMin.60
Typ.150
Max.350
*Vce=-2V
*Ic=-0.1A
Min.60
Typ.150
Max.350
*Vce=2V
*Ic=0.1A
fT
(MHz)
Min.30
Typ.45
*Vce=-10V
*Ic=-0.02A
Min.30
Typ.50
*Vce=10V
*Ic=0.02A
Cob
(pF)
Typ.30
Max.40
*Vcb=-10V
Typ.15
Max.20
*Vcb=10V

Product History & Cross-Reference

Item2SA8352SC1663
Maintenance designation1984
Discontinued19871984
Cross-
Reference
SONY
Databook
CQ
Publishing
2SA968
2SA1837
2SB631K
2SB648
2SC1514
2SC1628
2SC1953
2SC2238
2SC2611
2SC4793